How to reduce amps / width of wire from battery to devices

if your car battery operates on 44 amps , you have to use wire thats pretty thick. i couldn’t find any that was rated up to eg 50, so i got 2 awg, rated up to 110 amps.

however your devices at the front of the car don’t need anything like that to run eg your stereo might only need 20 amps max.

how do you reduce the amperage, so you can use thinner wire for things like your leds and switches at the front?

can anyone post a link for wire on amazon that is suitable for adding devices.

some wire i see as advertised suitable for car electronics says rated 18 awg, which is 3-15 amps. you can’t possibly attach that wire straight to the battery can you?

thanks

The amperage of the item you are connecting is the factor that you use to chose the wire ‘size’.
:heart:

1 Like

You obviously don’t understand electrics. Your car stereo will draw less than 1amp, probably considerably less. Your battery maybe 44aph but that’s its capacity and means theoretically it can supply 1 amp for 44 hours or 2 amps for 22 hours etc. The only thing on the car that needs large cables straight to the battery is the starter motor. Two 60 watt headlight bulbs would need 10 amps to power them (120 watts divided by 12 volts) and they are probably the other large load on the electrics. While you are driving though the alternator will be powering them and everything else.

1 Like

thank you for a very informative reply, i appreciate. yes you’re right i don’t understand, that’s why i’m asking. everyone has to start somewhere.

i have added things like a LED switch on the dash before, put on a fog light at the back, also taken out lighter, as i don’t smoke. then put one back in again to use as USB adapter.

but rather than start cutting into the wires under the dash again, i’d rather just run two new wires from the battery connectors. so would this be ok to run from the battery connectors:

VIABRICO 100FT 18 AWG Gauge Electrical Wire, DC 12V Hookup Red Black Copper Stranded Auto 2 Cord Low Voltage, Extension Cable with Spool for LED Ribbon Lamp Light : Amazon.co.uk: DIY & Tools

re: car stereo, apologies if 20 wasnt right, thats what chat gpt said could be a max figure.

Because the wrong size wire, poor connections and cutting into wires etc can create a fire risk I don’t think too many people will be willing to advise you on the forum, I would suggest that you at the very least purchase and read an auto wiring for beginners book before you do any wiring to your car.

You could also speak to a local to you auto electrician for advise.

1 Like

What are you wanting to provide power to? 18 gauge wire is quite heavy duty. Do you want it to be live with the ignition on or live all the time, which it will be if you go straight from the battery? You will need a fuse in line for safety anyway.

1 Like

I’m running ONE OF THESE directly off of the ISO loom with zero issues.

A couple of LEDs and a USB charger isn’t going to hurt.

1 Like

thanks, i gave that one as an example because its either the most popular or one of the most popular on amazon for car wiring it says.

it’s for an immobiliser and central locking, maybe camera as well.

yeah i take your point, but i only really want the answer to one question: what is the thinnest wire i can use to add the devices i’ve mentioned, if i run new wires from the battery connectors..

the things i’ve done already: putting in a LED switch, a fog light, taking out the lighter, adding a lighter adapter, adding a starter switch, installing a new stereo, taking out the old electric windows and putting in new ones, taking out the dash displays and ignition, then putting it all back in again, i did between 5-9 years ago, so i guess i must have done ok.

obviously no-one here saying, just like the descriptions on amazon do, in general - a wire of X awg / X amps can be used for car wiring - is endorsing the person’s ability to use that wire.

You fit a fuse. The fuse protects the thinner wire in the event of a fault (the battery is capable of supplying hundreds of amps into a fault without protection, which could easily set the car on fire if those amps go through a thin wire).

If you’re connecting directly to the battery, fit the fuse as close to the battery as possible.

The fuse rating should be the same as the current rating of the wire you use or lower.

3 Likes

thank you, great answer, exactly what i needed to know.

its not like i’m attempting something that hasn’t been done already on that car. i’ve previously taken off old added on connections from the battery connector due to age. i just wanted to know how that person had done it.

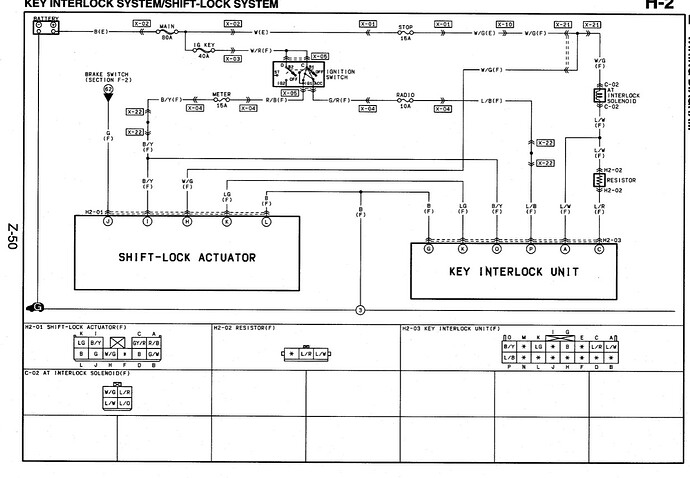
The thinnest wire you can run depends on the amperage draw of the device in question. You are talking about an immobilizer and a camera. Both of those devices should have the amperage draw listed in their info. Immobilizers can be as simple as a relay that interrupts the ignition signal or far more complex, the same is true of a camera system, depending on how many cameras are used and what else it does. Neither of them are considered high amperage circuits. For example…in my NB the immobilizer system and the shift lock system both run from a 15amp fuse:

To be clear, I am not saying that whatever immobilizer system you use will be the same, just giving a factory example. If we go off of this as an example, an 18 gauge wire(appropriately fused) is enough to run both systems. If you are trying to reducer the amount of wires you are running, you should be using relays to power the system, that way you only need to run a single wire from the battery up front to pull power from the battery…wiring is not difficult, but it is tedious and relays are your friend.

1 Like

thanks for excellent and important info on relays :+1:

If there are unused fuse positions at rhe fuse panel that are nevertheless wired in and live (either with or without ignition on) that might be a tidy way to power accessories that don’t draw much current. Adding wires to a battery terminal post strikes me as unnecessarily untidy.

(NA owners will know better than I do whether any redundant fused connections actually exist on that model of course).

1 Like